Glozin
全館消費滿 $1200 免運費
Glozin
凍乾買 5 包 9.5 折.買 10 包 9 折
Glozin
全館消費滿 $1200 免運費
Glozin
凍乾買 5 包 9.5 折.買 10 包 9 折
描述

描述

鮮嫩魚柳 × 牛磺酸補充挑嘴貓推薦

鮮酥虱目魚凍乾

鮮嫩魚柳

牛磺酸補充

挑嘴貓推薦

鮮酥的好滋味,咪嗚~好吃!
鮮酥虱目魚凍乾選用臺南虱目魚魚柳,在-50°C環境中冷凍乾燥製成。富含蛋白質、Omega-3與多種維生素,幫助毛孩成長、維持免疫力。

魚柳鮮酥好入口,吃得到魚肉、補得到營養,讓貓咪一吃上癮,狗狗也超買單!

你知道 虱目魚柳 是哪個部位嗎?

虱目魚魚柳取自虱目魚脊椎兩側靠近魚肚處的背鰭肉,是虱目魚最常運動、最彈嫩的部位,又稱「魚菲力」或「魚里肌」。

一條虱目魚只有兩條魚柳,肉質結實有彈性、少刺又低脂,是魚體最精華的部位,適合毛孩入口食用。

100% 新鮮魚肉
低敏 高營養價值

選用台南養殖虱目魚,肉質細膩、口感鮮甜

天然牛磺酸:維持貓咪眼睛、心臟、骨骼健康

Omega-3補充:維持毛孩皮毛光澤亮麗

日常獎勵或營養補充皆適用,不適合作為主食大量食用喔!

建議餵食方式與攝取量

小型貓(<5kg)

0.5 – 1 條

中型貓 (5–10kg)

1 條

大型貓 (10kg 以上)

2 條以上視體型與活動量調整

推薦跟著這樣吃 ~ 最對味

推薦吃法 1

將凍乾剝碎撒在主食飼料拌入 提升毛孩食慾及攝水量

推薦吃法 2

將凍乾剝碎撒在主食飼料拌入 提升毛孩食慾及攝水量

推薦吃法 3

年長或牙口不佳者 可將凍乾加水還原成鮮肉再給毛孩食用

從原料到製程都讓你看得見安心

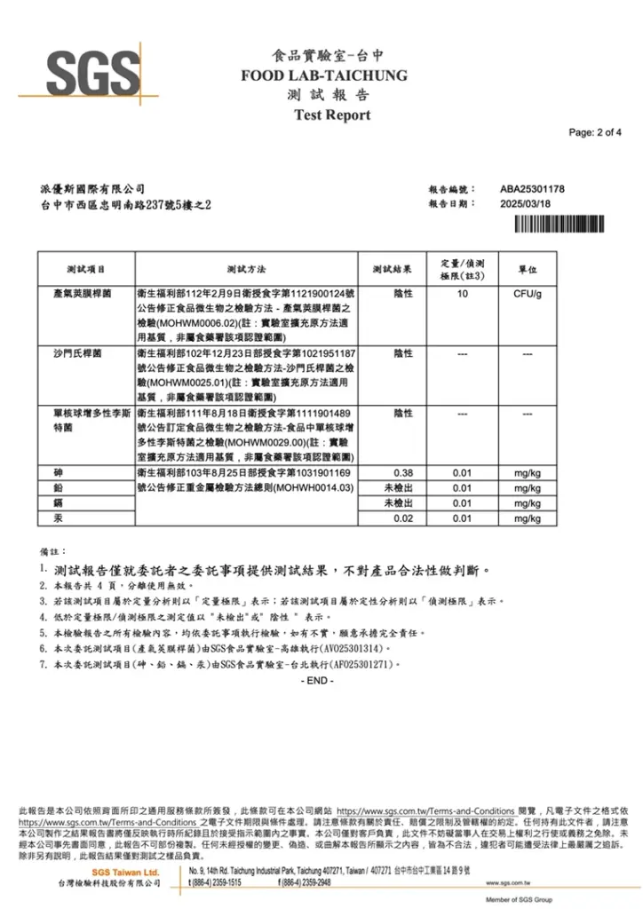
我們凍乾製程,採用通過 ISO22000 與 HACCP 認證的食品工廠,全程衛生、安全可溯源。 每批食品都經過第三方 SGS 檢驗合格層層把關,只為讓你放心,毛孩安心吃下每一口!

鮮酥虱目魚凍乾產品資訊

 成分 
 淨重 
製作方式
製作產地
食材產地
保存期限
保存方式

虱目魚

40±2g / 包

低溫冷凍乾燥

臺灣

臺灣

12 個月(未開封)

請存放於乾燥陰涼處,開封後請密封冷藏並儘早食用完畢

營瓶標示
營養標示 (每 100g)
熱量 425 Kcal
粗蛋白 79.3%
粗脂肪 12.2%
碳水化合物 0.6%
水分 3.7%
0.1%

鮮酥虱目魚凍乾 Q&A

鮮酥虱目魚凍乾的營養價值是什麼?

虱目魚本身富含天然牛磺酸、Omega-3脂肪酸、優質蛋白質與多種維生素,是非常適合貓狗日常補充的營養來源。 其中牛磺酸是貓咪無法自行合成的必需氨基酸,因此適量補充,對貓咪視力與心血管健康有幫助,Omega-3 則有助於毛孩皮膚健康與毛髮亮麗,適量餵食可作為毛孩日常的營養素補充。

虱目魚凍乾會不會膽固醇太高?可以每天吃嗎?

虱目魚屬於低脂、低熱量、營養密度高的魚類。雖含有天然膽固醇,但適量餵食量,對大部分毛孩不會造成負擔。 * 建議可作為每日的營養補給或訓練獎勵,不建議以大量取代主餐 *

鮮酥虱目魚凍乾看起來比較大片,毛孩好咬嗎?

虱目魚柳凍乾是經 -50°C 冷凍乾燥後,呈現酥脆易咬碎的口感,大多數犬貓都能輕鬆咬碎。針對牙口不佳的高齡毛孩或小型貓狗,也可將魚柳剪碎或加水還原成鮮魚肉,同樣美味好入口喔!

額外資訊

額外資訊

color

Brown

評價 (3)

顧客評價

0 out of 5
根據 3 則評價
0
0
0
0
0
撰寫商品評價

發佈留言必須填寫的電子郵件地址不會公開。 必填欄位標示為 *

  1. 吳尚恩

    們家主子是非常挑嘴的貓,試過很多牌子的凍乾都不吃,結果派斯的凍乾竟然一打開就衝過來!肉質看起來很新鮮,不是那種碎碎的粉末,當零食或是捏碎拌在主食裡都很方便,會再回購!

  2. 吳尚恩

    身為成分黨家長,最看重的就是有沒有奇怪的添加物。派斯的產品成分單純,而且還有提供檢驗報告(這點真的很加分!),給毛孩吃起來很放心。肉乾的厚度也很紮實,狗狗嚼得很開心。

  3. 吳尚恩

    出貨速度超快!包裹包裝得很仔細,沒有罐頭凹陷的問題。之前諮詢客服關於凍乾的保存方式,回應也非常專業有禮貌。遇到優質的台灣品牌一定要支持一下!